在低油价的形势下,胜利采油厂的生产经营形势日益严峻。为了进一步提高投资决策水平,保障采油厂持续稳定发展,最大限度的实现效益生产,开展科学合理的投资决策研究对采油厂的长远、高效发展作用重大。
Under the situation of low oil price, the production and management condition of Shengli oil production plant is getting more serious. In order to improve the level of investment decision-making, ensure sustainable and stable development and maximize production efficiency, scientific and reasonable investment decision-making analysis plays an important role in its long-term and efficient development.
本课题以提高投资质量为最终目的,在过去若干年产能项目实际实施效果统计的基础上,总结经验、挖掘规律,建立不同分类条件下的产量、投资、成本等可研关键指标的评估标准,为快速简便审查可研报告提供数据支撑,强化投资项目前期风险管控,引导建设单位进一步规范投资项目可行性研究论证。
The ultimate purpose of this project is to improve investment quality. Based on existing implementation effect statistics of capacity projects, we extract experience and rules, establish evaluation standards of key indicators(output, investment and cost)under different classification conditions, provide data support for rapid and simple feasibility study review, and strengthen risk control in early stage of investment projects, which enables construction unit to standardize feasibility study of investment projects.
胜利油田开发已经整体进入中后期,效益开发难度越来越大,突出存在两个方面的问题:一是新增动用储量品位低,经济有效动用难度大。近年来新增动用储量中低渗透占比34%、稠油占比29%,新井投产效果逐年变差,且近年来原油价格低位运行,储量经济有效动用难度越来越大。二是胜利分公司百万吨产能开发工程投资高,控制难度大。低油价以来通过优化建产阵地、加强投资管控等举措,百万吨产能投资得到有效控制,但是仍旧较高,2019年为58.5亿元。因此有必要分析投资决策关键节点,优化各个环节,调整投资方向、结构、规模,促进投资拉动作用,降低分公司盈亏平衡油价,实现原油储量经济高效动用,为油田高质量发展提供支撑。
At present, the development of Shengli Oilfield is in middle and late stage, and the benefit rate is hard to improve. Two major problems include: first, poor quality of new reserves has caused difficulties in economical and effective production. In recent years, low permeability reserves accounts for 34% and heavy oil accounts for 29% in the newly produced reserves, so new well output has decreased gradually. In addition, the price of crude oil is at a low level in recent years, so it is more difficult to develop reserves in economical and effective way. Second, the million-ton capacity development project of Shengli oilfield is high in investment and difficult in operation. Recently, by means of optimizing production reserves and strengthening investment control, its investment, which is 5.85 billion yuan in 2019, has been controlled effectively, but still not low enough. Therefore, it is necessary to analyze and optimize key nodes of investment decision-making process, adjust investment direction, structure and scale, promote pulling effect of investment, reduce breakeven oil price of branches, realize economic and efficient exploitation of crude oil reserves, and support high-quality development of oil fields.
结合油田“十四五
”规划要求,以整体区块或全局为立足点进行统筹规划和整体优化,优化地面布局和地面工艺。按照“区域统筹、简化功能、优化流程、橇装集约、信息化提升、质量效益、安全绿色”的建设思路,对地面系统(注、采、集、输、水、电)全流程、全节点进行梳理,从油井井口至联合站、从采出水处理站至注水井,形成闭环分析。通过优化改造,打造油田优化简化、提质增效的地面系统新模式,实现油田开发绿色低碳、能效倍增的战略目标。胜利油田地面系统典型示范区建设的“点、线、面”重点项目(投资近
1.2 亿)已落地实施。
In accordance with requirements of the 14th five-year plan, this project aims to make overall planning and optimization and improve surface layout and technology on the basis of whole block and entire field. Basing to the ideas of "regional planning, simplified function, optimized process, skid mounted intensification, information improvement, quality benefit, safety and green", we review the whole process and nodes of surface system (water injection, oil production, oil and gas gathering, transmission, water and electricity supply), and conduct a closed-loop analysis from wellhead to combined station, from produced-water treatment station to water injection well .Through optimization and improvement, a new simplified and efficient model of oil field surface system has been built, realizing the strategic development purpose of green, low-carbon and high energy efficiency. The key project of "point, line and area" in typical demonstration area of Shengli Oilfield "(with an investment of nearly 120 million) has been implemented already.
近年来,随着地方基础建设步伐提速,小至修路建桥, 大到高速路、高铁,以及地方规划湿地景观等工程批量 产生,由此产生大量迁建项目。
迁建项目具有必要性强、类型复杂、周期长、涉及面广 等特点。 近两年相继承担了黄大铁路、长深高速、天鹅湖湿地工
程、沾临高速、济高高速等大型迁建项目,形成了一支 专业素养强、快速反应、优质服务的专业团队,并编制
了《地方建设占压胜利油田设施迁建工程工作指南》。
In recent years, with the acceleration of local infrastructure construction, a large number of relocation projects emerges. Relocation project are featured with strong demand, varied types, long construction period, and wide coverage. In past two years, we have undertaken large-scale relocation projects such as Huang Da railway, expressway from Changchun to Shenzhen, swan lake wetland project, expressway from Zhanhua to Linyi, expressway from Jinan to Gaoqing, forming a professional team with strong professional quality.
自 2005 年开始,胜利油田各二级单位三年滚动计划全部由森诺科技负责编制,下一
个年度的重点项目全部由三年滚动提前计划,以提高项目决策效率和质量。三年滚动
计划包括了地质、采油、储运、污水处理、注水、注聚、电、路、注汽等近 20 个专业。
多年编制三年滚动的经验及不断提升的创新能力,得到了油田领导及中石化领导的认
可,油田每一次三年滚动模板的调整编制均由森诺科技承接完成,中石化总部的三年 滚动模板编制也是由森诺科技负责完成。
Since 2005, the three-year-rolling plan of all secondary units in Shengli Oilfield have been prepared by Sino technology, Co., Ltd. The key projects in the next year have been planned in advance to improve efficiency and quality of decision-making. This plan includes nearly 20 disciplines, including geology, oil production, storage and transportation, sewage treatment, water injection, polymer injection, electricity design, road design and steam injection. Our rich experience and innovation ability have won acceptance from leaders of oilfield and Sinopec.
针对页岩气田立体开发调整部署,确定“一方案多井组”建设模式。保证工艺流程快速、
准确选择,加快项目审批和决策,实现工程标准化设计。
首次提出了大型页岩气田增压开采规模化应用方案,依据气田开发方式、增压时机及管网
条件,通过计算气井在不同增压模式下的废弃压力、投资收益率,确定气田采用集气站增
压模式。开发快装垫层式压缩机无固定连接基础。形成页岩气田全生命周期增压经济技术 路线。
According to adjustment and deployment policy of shale gas field three-dimensional development, the construction mode of "one program, multiple well groups" has been built, which can ensure rapid and accurate selection of technological process, speed up project approval and decision-making process, and realize design standardization. We have proposed the application program of large-scale shale gas field pressurized production for the first time. In accordance with gas field development mode, pressurization opportunity and pipe network conditions, the pressurization mode of gas gathering station was chosen by calculating waste pressure and investment return of gas wells under different pressurization modes. The economic and technical pressurization modes for the whole life cycle of shale gas field have been formed.
通过技术论证,采用“井下节流、串接集输”技术实现低成本冬夏连续集气。
根据气藏压力递减、环境、结合地面设施能力和天然气外输压力要求,合理设计增压模式。 井场、集气站、集中处理站标准化设计。
采用专利低点排凝装置、光伏发电单井加注装置、无动力注醇装置、智能仿真开关井等技术 解决地面系统适应性问题。
Through technical demonstration, the technology of "downhole throttling, series gathering and transportation" is adopted to realize low-cost continuous gas gathering in both winter and summer. The pressurization mode shall be designed according to the pressure decline of gas reservoir, environment condition, surface facility capacity and requirements of natural gas export pressure. Standardized design of well pad, gas gathering station and centralized treatment station. Patented low point condensate drainage device, photovoltaic single well injection device, unpowered alcohol injection device, intelligent simulation switch well and other technologies are adopted to solve the adaptability of ground system.
采用“多点接入、柔性集输”技术实现低成本集气。 “多点接入、柔性集输”似神经网络地面集输
工艺主要特点是用相对流程简单的阀组替代复 杂的集气站或集气增压站,实现从传统三级布 站到最短一级布站的技术突破。
该技术已经在国家科技重大专项示范工程“山西 沁水盆地南部煤层气直井开发示范工程”中进行
了验证推广。目前在沁南煤层气田后续建设的柿 庄南、古交、寿阳等项目中得到规模化推广应用。
同煤层气田前期试验项目相比,单井投资降低 13%,系统综合能耗降低 10.3%。
The technology of "multi-point access and flexible gathering and transportation" is used to realize low-cost gas gathering. This neural-network like surface gathering and transportation system replaces the complex gas gathering station or gas gathering booster station with a relatively simple valve group, realizing the technical breakthrough from traditional three-stage station layout to one-stage station layout. This technology has been promoted in the national major science and technology demonstration project " CBM vertical well development in south of Qinshui Basin, Shanxi Province". At present, it has been applied in the follow-up CBM projects in south Shizhuang, Gujiao, and Shouyang. Compared with early-stage test project of coalbed gas field, the investment of single well is reduced by 13% and comprehensive energy consumption is reduced by 10.3%.
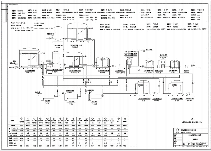
临中污水站改造工程设计处理规模 3.4×104
m3/d,建设投资 3020 万元。针对该站污水腐
蚀性强(pH6.9)、腐蚀速率高(0.2mm/a)、矿化度高(19782mg/L)的特点,采用改性工艺,出水水质达到“含油量≤
8mg/L、悬浮物含量≤ 3mg/L、粒径中值≤ 2μm、腐蚀速度≤ 0.076mm”,该站 2014 年完成可研,2015
年完成初设及施工图。
The expected treatment scale of Linzhong sewage station reconstruction project is 3.4 × 104 m3 / d, with a construction investment of 30.2 million yuan. In consideration of the characteristics of strong corrosivity (ph6.9), high corrosion rate (0.2mm / a) and high mineralization (19782mg / L) of its sewage, quality improvement method has been adopted. After that, the effluent water quality can meet the standard of "oil content ≤ 8mg / L, suspended matter content ≤ 3mg / L, median particle size ≤ 2" μ m and corrosion rate ≤ 0.076mm “. The feasibility study was completed in 2014, and preliminary design and construction drawings were completed in 2015.
本项目包括扩建义南站、新建回注系统,规模为 3500m3 /d。新建义东注水站,规模为 2800m3
/d;更新义一注水站站内老化设施;对注水干线及配水间等进行改造。工程建设投 资 2900
万元。改造后解决了注水设施回注能力不足、注水系统效率低及注水系统压力不足、 水质不达标等问题。义和区块注水系统效率提高了
12.5%;年节电 578×104 kW·h。该 项目获得山东省优秀勘察设计三等奖
The project includes the expansion of Yinan station and construction of reinjection system, with a scale of 3500m3 / d; new Yidong water injection station with a scale of 2800 m3 / d; update the aging facilities in Yiyi water injection station; transform the major water injection line and water distribution room. Construction investment of the project is 29 million yuan. After transformation, the problems such as insufficient reinjection capacity of water injection facilities, low efficiency of water injection system, insufficient pressure of water injection system and unqualified water quality have been solved. The efficiency of water injection system in Yihe block has been improved by 12.5%; Annual power saving 578 × 104 kW·h。 The project won the third prize of excellent survey and design project in Shandong Province.
项目新建直燃型吸收式热泵系统,以天然气作为驱动源,提取污水处理站外输泵后 8500m3 /d 的 50℃的采出水余热,制取
85℃高温水,通过特制宽流道板式换热器,将 站内油液加热至 78℃,替代现有燃气加热炉。年供热量为 12×104
GJ,年节约天然气 177×104 Nm3 ,折合标煤 2301t,年减排 CO23869t。
A new direct-fired absorption heat pump system was built in this project, which applies natural gas as driving source to extract waste heat from 50 ℃ produced water to produce 85 ℃ high-temperature water, and the capacity of produced water is 8500m3 / d from the export pump of sewage treatment station. The oil in station will be heated to 78 ℃ by a special wide channel plate heat exchanger which can replace the existing gas-fired heating furnace. The annual heat supply is 12 × 104 GJ, annual natural gas saving is 177 × 104 Nm3(equivalent to 2301t standard coal), and annual CO2 emission reduction is 3869t.
项目利用纯梁首站站内 9125m2 空闲区域,实施光伏发电项目,选用 380Wp 单晶组件 1888 块,6 台 100kW
组串式逆变器,总装机规模为 717kWp,年产绿电 84×104 kW.h, 全部自发自用,年节标煤 103 t,年 CO2
减排量 253t。
The project has made use of the 9125m2 free area in Chunliang first station for photovoltaic power generation. Total 1888 pieces of 380Wp single crystal modules and 6 sets of 100kW series inverters are selected in the project. The total installed capacity is 717kWp and annual output of green power is 84 × 104 kW. h. All the energy is self-generated for self-use. This project can save 103 tons of standard coal and reduce 253 tons of CO2 emission annually.
东胜公司胜兴稠油区块应用 2 台空气源热泵对单井罐原油进行加温,在 -9℃环境温度下 可制取 85℃高温热水,将原油加温至
80℃的拉油温度,经胜利油田技术检测中心能源监 测站检测设备 COP 为 2.49。年节电量 11.71×104 kW.
h,年节标煤 71t,年减排 CO2 175t。
In Shengxing heavy oil block, two air source heat pumps are used for heating the crude oil in single tank. Hot water of 85 ℃ can be produced with ambient temperature of - 9 ℃. It can be used to heat crude oil to 80 ℃ for transportation. From the detection statistics of energy monitoring station of Shengli Oilfield Technology Testing Center, the COP of equipment is 2.49, annual power saving is 11.71 × 104 kW. h, annual saving of standard coal is 71 and annual CO2 emission reduction is 175t.
胜利油田自 2013 年开展生产信息化建设工作,分别于 2013 年、2014 年进行了新区配套
示范建设、老区改造示范建设,并于 2015 年在全局各管理区全面推广,至今已实现生产信 息化全覆盖。 公司自 2014
年开始参与胜利油田生产信息化建设,共参与完成 5 项管理制度、120 项标 准、规范;完成 128 项生产信息化可研报告、88
项生产信息化施工图设计,总投资规模达 20 亿元。通过生产信息化建设,实现了生产参数实时采集、生产现场视频监控、指挥中心
集中管控,改变了生产模式,提高了管理效率和劳动生产率,实现精细化管理。
Shengli Oilfield has conducted production informatization construction since 2013. Supporting demonstration construction project in new blocks and reconstruction demonstration construction project in old blocks have been completed in 2013 and 2014 respectively. So far, full coverage of production informatization has been completed. Since 2014, we have participated in the construction of production informatization in Shengli Oilfield, and have completed 5 management systems, 120 sets of standards and specifications, 128 production informatization feasibility study reports and 88 production informatization construction drawings, the total investment of which amounts to 2 billion yuan. Real-time collection of production parameters, video monitoring of production site and centralized control of command center can be realized by production informatization. The production mode is changed and the management efficiency and labor productivity are improved.
胜利油田海上智能油田建设规划项目由森诺科技独立承担,参与研究人员包括勘探开发、地
面工程等各领域的专家。规划编制按照统筹规划、分步实施、效益优先的原则,内容涵盖海
洋采油厂采油、集输、注水、电力、通信网络、视频监控、海上人员监控、船舶监控、气象
与环境监测等系统,以及油藏开发、经营管理等各方面,规划投资达 3.08 亿元。胜利海上
智能油田建设规划的总体目标为:到“十三五”末,全面实现油气生产过程可视化、生产运
行状态全面感知、生产实时监控和高效运行指挥,促进油气生产效率和经济效益显著提升。
规划对“十三五”期间指导项目投资审批及工程建设具有重要指导意义,得到业主单位的高度认可。
Shengli Oilfield offshore intelligent oilfield construction planning project is supported by Sino technology Co., Ltd independently, and the project group includes experts in exploration and development, surface engineering and other fields. The planning is prepared in accordance with the principles of overall planning, phase implementation and benefit first. Its includes oil production of offshore oil production plant, oil gathering and transmission, water injection, power, communication network, video monitoring, offshore personnel monitoring, ship monitoring, meteorology and environmental monitoring, oil reservoir development, operation and management and other fields. The planned investment amounts to 308 million yuan. The overall goal of Shengli Offshore intelligent oilfield construction planning is “visualization of oil and gas production process, comprehensive perception of production and operation situation, real-time production monitoring and efficient operation”, which should be realized by the end of the 13th five-year plan. This plan has important guiding significance for project investment approval and engineering construction during the 13th five-year plan, and has earned high recognition from owner.
胜利油田电网调度及监控系统改造工程分三期建设,一期投资5876万元,已于2013年投产;二期工程投资24314万元,主要涉及94座变电站改造、9座集控中心的建设、850余公里通信光缆的架设,目标是在实现变电站综合自动化基础上,通过改造调度自动化系统、建设监控自动化系统,基本实现变电站集中控制,提高油田电网的运行管理水平,建成坚强智能电网。项目投运后,可以有效解决人力资源结构不均衡,变电站运维人员结构性缺员等矛盾。通过调整电网调度管理模式,建设集控调度中心,实现无人值守变电站的集中管控。年可节约用工346人,将有效缓解职工老龄化、结构性缺员等对电网运行的影响,提供油田电网的保障能力。该项目荣获山东省2016年优秀咨询项目二等奖。
The power grid dispatching and monitoring system transformation of Shengli Oilfield has three phases. The first phase’s investment is 58.76 million yuan, which has been put into operation in 2013; The investment of phase II project is 243.14 million yuan, which mainly involves the transformation of 94 transformer substations, the construction of 9 centralized control centers and the building of more than 850 kilometers of communication optical cables. The goal is to realize centralized control of substations and improve operation and management level of oilfield power grid through transformation of power dispatching automation system and construction of monitoring automation system on the basis of comprehensive automation of substations. After the project has been put into operation, contradictions such as unbalanced human resource structure, structural shortage of substation operation and maintenance personnel can be resolved. By means of adjusting power grid dispatching management mode and building new centralized control dispatching center, the centralized control of unattended substation can be realized. Total 346 employees can be decreased annually, which will effectively alleviate the impact of aging employees and structural shortage of personnel on the operation of power grid, and guarantee the capacity of oilfield power grid. This project won the second prize of 2016 excellent consulting project of Shandong Province.
项目新建1台5.2MW吸收式热泵机组和3台橇装设备,天然气作驱动源,吸收采出水热量,制取85℃高温水,替代原燃气加热炉,实施后,年供热量约为12.21×104GJ,节约天然气177.53×104m3,CO2减排量2829.04t。
充分发挥了总承包单位统一协调管理的 EPC 组织模式的优势,优质高效的完成了工程建设;该项目被评为 2020
年度“胜利油田分公司地面建设优质工程”。
One 5.2MW absorption heat pump unit and three skid mounted equipment have been built. Using natural gas as driving source to absorb the heat from produced water, 85 ℃ high-temperature water can be produced to replace the function of original gas heating furnace. The annual heating capacity is about 12.21 × 104GJ, saving natural gas of 177.53 × 104m3, and CO2 emission reduction amounts to 2829.04t. Taking advantage of EPC organization mode, we have completed the project with high quality and efficiency. The project was rated as "high quality surface construction project of Shengli Oilfield Branch" in 2020.
本项目是胜利油田分公司根据保险工作的需要,委托森诺科技有限公司进行的招标代理工作,涉及机动车辆险、船舶一切险、安全生产责任险等险种。该项目具有招标金额大、标段划分多、涉及单位广、投标竞争激烈、风险管控点多的特点,项目组经与招标人充分结合,在准确把握项目特点、技术经济需求及招标人管理要求的基础上,制定了周密的招标方案,在履行有关申请审批手续后,组织完成了项目开标、评标、公示及组卷存档工作。为招标人推荐的中标候选人均为优秀的服务队伍,具备精良的装备、先进的技术、科学的管理及丰富的经验,达到了招标人优质采购的目的。
This project is the bidding agency work entrusted by Shengli Oilfield Branch to Sino-Technology Co., Ltd. according to insurance demands, involving motor vehicle insurance, ship all-risk insurance, safe-production liability insurance and other types of insurance. The project is featured with large bidding amount, varied bid sections, wide range of units, serious bidding competition and multiplied risk control points. After full communication with tenderee, the project group formulated detailed bidding scheme basing on accurate evaluation of project characteristics, technical and economic needs and management requirements, organizing bid opening, bid evaluation, publicity and bid filing independently. The candidates are all excellent service teams with advanced technology, rich experience and scientific management skills.
北京胜利饭店生活污水原仅通过化粪池处理,无其他污水处理设施,经检测 COD 和氨氮均
为超标排放,为此北京市环保部门提出限期整改。
时值 70 年国庆,北京市各方管理要求格外严格,公司科学组织、积极开展设计、采购、施
工优化,发挥 EPC 项目管理的优势,优质地按合同工期要求在进入严冬之前完成了项目。
为用户提供超值服务,在可研投资不足的前提下精心筹划,圆满完成项目,为用户节省了投资。
The domestic sewage of Beijing Shengli hotel was treated in septic tank without other sewage treatment facilities before. By testing, its COD and ammonia/nitrogen content have exceeded national standard. Therefore, Beijing environmental protection department proposed time-limited rectification notice to Beijing Shengli hotel. The project period covered the 70th anniversary of the founding of PRC, so the management and requirement were particularly strict in Beijing. We organized project group scientifically and carried out design, procurement and construction actively. Taking advantage of EPC management, we completed the project before winter, saving investment for customer.
2019年我公司承担了董家口至东营原油管道工程施工期环境检测项目。由于工作出色,我公司获得国家管网集团东部原油储运有限公司“2020年度优秀技术服务单位”称号,项目经理刘丽杰被获得“2020年度工程建设先进个人”称号。
In 2019, we undertook the environmental detection project during the construction period of crude oil pipeline from Dongjiakou to Dongying by which we won the title of "excellent technical service unit in 2020" of the eastern crude oil storage and transportation Co., Ltd. of the national pipe network group.
挥发性有机物泄漏检测与修复(LDAR)服务利用现代检测手段和信息技术,系统化地管理设备泄露排放,能够帮助石化化工企业建立一套系统性的LDAR数据库管理体系,包括装置密封点识别、建档、检测实施、修复管理、排放量计算,并最终出具泄露与修复调查报告。
Volatile organic compound leakage detection and repair (LDAR) service applies scientific detection methods and information technology to equipment leakage and emission management, which can help petrochemical enterprises to establish a systematic LDAR database management system. This system includes device sealing point identification, filing, detection implementation, repair management and emission calculation, and can provide leakage and repair investigation report for customers.
根据沧州处要求油污土需要进行无害化处理。本项目是对沧州输油处管道泄漏油污土壤进行生物法修复,修复工作量为7244.64t。处理标准:含油率处理至4.5‰以下。
According to requirements from Cangzhou goverment, oily soil needs to be treated harmlessly. The project intends to repair the oily soil polluted by Cangzhou oil pipeline leakage through biological method, and the workload of which amounts to 7244.64t. The treatment standard is that the oil content of oily soil shall be less than 4.5 ‰.
2019年1月1日纯梁采油厂委托,对2018年首站缓冲池清理出的油污土壤进项生物法原位修复,总量约5200吨。工期95天。
On January 1, 2019, Chunliang oil production plant commissioned the biological remediation of oily soil cleared from buffer pool in 2018, the total amount of which is 5200 tons and construction period lasts for 95 days.
储罐机械化清洗是指通过循环泵送撬、清洗枪等机械化设备,对目标罐进行清洗的过程。在清洗时,由于外来介质的带压进入,使得目标罐内不具有流动性的残渣、沉积物逐步具有流动性,并最终通过抽吸管路随罐内液体介质一同吸出。在清洗时,需多次重复该流程,最终将目标罐内大多数残渣及沉积物清理至罐外,最终达到清洗目的。
Tank mechanized cleaning refers to tank cleaning process through mechanized equipment such as circulating pumping skid and washing gun. During the process, the no-flow residues and sediments in the target tank would gradually get fluidity from pressurized external media and be sucked out by suction pipe with the liquid media in the tank together. This process needs to be repeated for several times in order to take most of the residues and sediments out of tank.
系统涵盖传统能源与新能源,以各层级节能指标为牵引,能源闭环管理为手段,结合用能单位能耗管理的实际需求,建立起纵向贯通各管理层级、横向协同各平行单位的能源管控信息系统,实现对能源消耗的动态监控和能效指标的精准管控,为用能企业提供长效节能保障。
The system includes both traditional energy and new energy. With different levels of energy-saving indicators as guidance, closed-loop management of energy as the method, and in consideration of the actual needs of energy consumption management of energy users, we establishes an energy management and control information system that can connect all management levels vertically and cooperate with parallel units horizontally, so as to realize dynamic monitoring of energy consumption and accurate control of energy efficiency indicators, providing long-term energy-saving guarantee for energy consuming enterprises.
以企业核心业务为主线,以公司数据中心为数据支撑,通过统一基础架构和基础服务,采取集成、整合、共享、深化应用、新建等方式,构建支持生产管理、经营管理、安全管理、财务管理、技术管理、党建管理、综合管理的业务协同平台,实现业务协同、多级联动、资源共享、辅助决策。
Basing on the core business of enterprise and using data-processing center as support, the business collaboration platform was built to support production management, operation management, safety management, financial management, technical management, Party construction management and comprehensive management by means of integration, sharing, and diversified application, which can realize business collaboration, multi-level linkage, resource sharing and auxiliary decision-making.
以提质增效为目标,以QHSSE管理精细化、科学化、集中化为主线,建立从信息录入、信息查询到决策支持为QHSSE一体化管控系统,纵向贯通、横向协同,为QHSSE管理提供有效抓手,实现“信息共享、业务联动、全面覆盖、风险受控、监管到位”的管理目标。
On the purpose of improving quality and efficiency, leading by refined, scientific, and centralized QHSSE management concept, we establish an integrated management and control system from ranging from information input, information query to decision-making support. By vertical connection and horizontal coordination, it can provide a starting point for QHSSE management, achieving the management goal of "information sharing, business linkage, comprehensive coverage, risk control and effective supervision".